安徽威帆傳動機械有限公司-產品資料
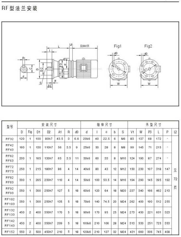
RF型法蘭安裝,外型安裝尺寸
上一頁
下一頁
上一頁
下一頁
Copyright © 2007 - 2026 All Rights Reserved 安徽威帆傳動 awwsea.cn